一體化預制泵站服務方案包括哪些?
-
發布時間:2018-10-18
來源:上海弘泱機械科技有限公司
一、前期服務流程,分兩種情況:
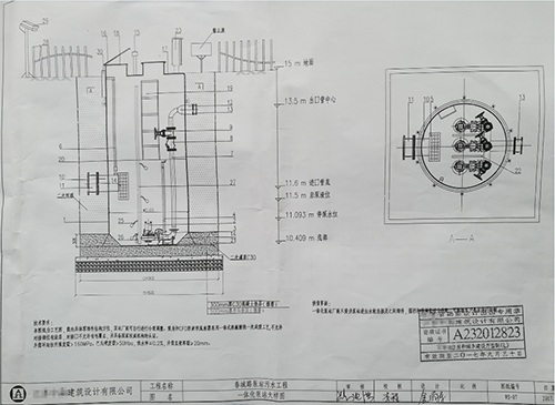
1.客戶提供設計院出的預制泵站工程圖,弘泱技術人員與設計院工程師進行技術對接,確認工程細節,生產車間按照設計院設計圖紙生產,并記錄客戶的特殊要求。
如某設計院圖紙:

(一體化預制泵站服務方案)
2. 客戶提供現場進口管標高、出口管標高、地面標高、桶底標高、泵臺數、功率、揚程。弘泱科技技術人員進行現場勘測后,量身設計工程圖,再由設計院審核。
弘泱技術人員根據客戶提供的數據設計圖紙:
(一體化預制泵站服務方案介紹)
二、中期服務流程:
客戶確定一切無誤后,弘泱科技業務部下達生產單、技術部制定生產計劃、生產部生產調試設備,生產完成后整套設備預制完畢后發貨到現場,現場施工由弘泱科技派出專業技術人員進行指導安裝、調試、培訓,交付,接收客戶反饋,完善后續反饋。
技術人員現場安裝指導:
(一體化預制泵站服務方案有哪些)
三、后期服務流程:
設備連入弘泱水智能云平臺,實施遠程監控,如果設備出現故障或者需要維修,近距離客戶弘泱設備廠家會派出專業技術人員進行現場服務,遠距離客戶運用水智能云品臺手機APP遠程指導,若還不能解決問題我們再派出專業技術人員進行現場服務,24小時確保工程質量。
水智能云平臺進行售后服務派單:

(一體化預制泵站服務方案-上海弘泱科技)